Joint Ventures

Strategic partnerships that add value, improve efficiency, save resources and increase ROI for American companies.

Joint Ventures

With multiple locations throughout India, we can taylor match you with one of our Joint Venture partners.

Our extensive knowledge of the industry and regulations can help fast track your projects.

Great Opportunity US Companies -$10 Billion Boeing Offsets, Major Airbus Manufacturing and Engineering Hub
  1. New 36 acres Boeing facility for engineering/technology with electronics and avionics manufacturing and assembly.
  2. Boeing states it expects Indian airlines to order up to 2,100 new aircraft worth $290 billion over the next 20 years which, according to the plane maker, is the highest-ever forecast for the country.
  3. Twenty-one defense offset contracts with cumulative value of USD 5.67 billion have been sealed by the defense ministry in last three years.(Source: Businessline)
  4. Upto March 2019, MoD has signed 52 offset contracts valued at USD 11.79 billion to be discharged through Indian offset partners,"

Aerospace / Medical Design / Engineering / Manufacturing Joint Venture in India

Some of our key services include

  1. Turnkey operations
  2. Reverse Engineering
  3. Electrical /Cable assemblies
  4. 3, 4 and 5-axis machining
  5. Assembly Contract Manufacturing
  1. 3D Modelling & Conversions
  2. CAE Validation Services
  3. CAD/CAM Drawing
  4. Cable & PCB Design Fabrication and Assembly

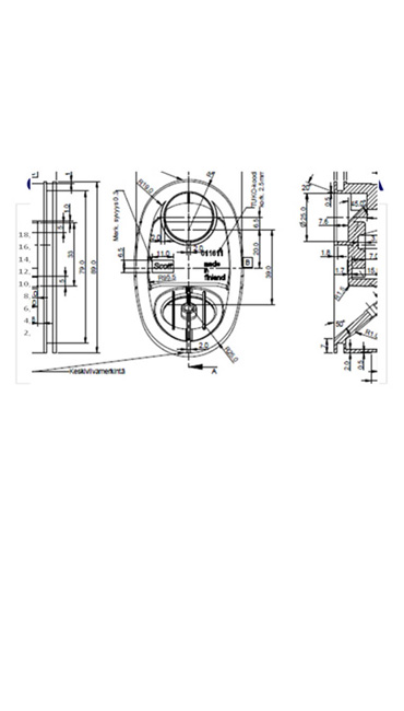
LCCSGI -JOINT VENTURE CAPABILITY INCLUDES DETAILED DRAWINGS / REVERSE ENGINEERING

Reverse Engineering

Scope

  1. 3D scan and obtain point cloud data for given physical part.
  2. To recreate the parametric CAD model based on scan data.
  3. To create Detail drawing for the parametric model built.
  4. Quality check and comparison.

Input

  1. Physical Sample
  2. Parametric CAD model
  3. Detail drawing
Case Study

Peter Orluck

CEO - Orluck Industries, Elk River, MN USA

Peter Orluck, CEO Orluck Industries Orluck Industries manufactures high-precision, machined products that lead the industry in quality and performance.  Orluck Industries brings end-to-end support demanded by the world’s largest aerospace corporations, including competitive contract production, prototype builds, NADCAP-certified processes, engineering support globally

Orluck Industries teamed up with LCCSGI to take advantage of their India advantage for setting up India Plant and Operations, Strategic sourcing  One of the requirements was to build and source parts in country. This is where LCCSG came in to help establish Orluck in India.

LCCSGI has a high level of networking and its Affiliate's in Bangalore with companies in Aerospace, Medical, machining, engineering and assembly for Joint Ventures with India for expansion, cost savings and significant growth.

Our efforts were in three areas:  Get Operations up and running , to build a machining plant in Bangalore and help in multimillion-dollar financing through Joint Ventures working together we  have been  successful in establishing the FIRST Minnesota Aerospace Machining Plant This will help Orluck as a Global enterprise and define new growth with extensive cost savings to the core business